热搜:安全 腾讯 qq 电脑系统 360 Ps cad 激活工具 网易云音乐 win7 xp原版 ip 我的世界 office win10 证书过期 WPS kms 许可证 2007 autoCAD2014 cad2014 Win10 qq浏览器 远程控制 激活 UEFI U盘 dw PHOTOSHOP Windows10 photoshop u盘 Windows8 鸿蒙系统 华为 21390 xp 网卡 Ps2019 cad2010 Ps字体 Ps cs6 Win10激活 设置u盘 电脑系统下载 cad2018 ps 谷歌浏览器 ultra 33 安卓模拟器 局域网 戴尔笔记本 office office2016 CAD CAD photoshop 家庭版 office2010 专业版 Photoshop Office激活 备份系统 PDF压缩 win10激活 AI ps 镜像 驱动 excel 迅雷 迅雷 winrar au 大白菜 pr PR windows server 2012 腾讯会议 vm USB驱动 MSVCP 解压 winra 虚拟机 AI dw ACCESS cad 双系统安装 系统激活工具 win8 会声会影 视频剪辑 adobe 视频 Adobe Premiere Pro Analyzer team 远程 teamviewer KMS 苹果电脑装win10 ae 数据恢复 autocad autocad eps cpu cpu-z visio mindmanager server 2007 驱动 PS 游戏 Visio 极速 Alias dreamweaver 还原 PS LTSC crystal word YY 金士顿U盘 笔记本 vector autoCAD 运行库 天正建筑 PDF 植物大战僵尸 LO SQL 数据库 SQL keyshot win10镜像 gpu windows WIN10激活 CDR 网卡驱动 格式工厂 鲁大师 wps Windows激活 纯净版 OFFICE 驱动人生 AUTOCAD 硬盘 ai 分区助手 笔记本电脑 压缩软件 visio 谷歌浏览器 纯净 纯净 微博 PDF转word 解压 cad2021 pe 显卡排名 Win1 Win11 pdf 系统之家 deep java 虚拟机 油猴 off 鲁大师 一键重装 WPS 录屏 分区 OFFICE 网卡驱动 win10专业版激活 WIN11激活 windows se 笔记本 硬盘检测 fx SW 一键安装 adobe illustrator 百度网盘 solidworks solidworks 美图秀秀 音乐 酷我 media potplayer U盘启动盘 net 老毛桃 游戏 dream office 2019 Microsoft Office 2010 光盘刻录 RAR edge U盘启动 VM VM ie ie AE 鼠标 EXCEL 精简版 浩辰cad ppt 98 装机大师 番茄 solidwork office激活 CAD2008 flash msvcp140 vb 数据恢复 CS6 3dmark photo 共享 Ccleaner Pho 阿里云盘 阿里 远程 photosho apk DW WIN10.gho 魔兽 魔兽世界 视频剪辑 win10专业 视频转换 pr2020 adobe PDF 扫描 硬盘安装器 红警2 3dmax 3D 剪 Hdtune win11 office 2010 内 ug office2007 AutoCAD 模拟器 ME Adobe cs6 1909 aster IE 爱奇艺 CCleaner ltsc WIN7旗舰版 wps 激活码 windows server 2019 PE Internet Explorer Internet Explorer Java 密码 向日葵 仿宋GB 一键还原 qq影音 win7旗舰版激活 Win10纯净版 gho IE 2003 IE8 下载 SolidWorks bt HP CAD2019 ai AutoCAD AutoCAD2018 钉钉 模拟器 映像文件 endnote CPU-Z RAR offic DE pc 精简版 Visio Auto CAD 磁盘 audacity 一键 一键还原 pr 火绒安全 火狐 分区 门禁卡 破解 文字转语音 联想 photoshop cs6 office 2016 word 一键ghost ghost adv 最新 lightroom CorelDRAW AU usb3.0 3.0 3.0 死机 mathtype office20 office 2016 AutoCAD2007 帧 win10企业版 Adobe Windows 11 iso 植物大战 一键备份 WinRAR 系统激活 密码 系统密码 格式工厂 dll修复 spss 驱动精灵 驱动精灵 VS visual studio deepin mac WINRAR server 播放器 ie11 思维导图 corelDRAW 证件照 REAPER 微pe note 图片查看器 adobe acrobat IP地址 zip win10 软件 联想小新 视频播放器 恒星播放器 access 虚拟 低格 识别 文字识别 onedrive R软件 pe vantage U盘检测 连点 21H2 深度 server 2012 服务器系统 2012 server_2012 亿图 大势至 designer designer 录屏 超级终端 暴风影音 winrar fiddler 视频压缩 压缩软件 u盘 U盘 vista 企业 eclipse 五笔输入法 sniffer python Microsoft Visio corl microsoft dll 打印机驱动 c++ 点击 数据恢复软件 diskgen diskgenius 启动盘 企业版 br vmware Adobe Illustrator 32 会声会影 au 中国 EXCEL qq音乐 ghost office2019激活 office2019 lol 英雄联盟 睡眠 directx修复工具 draw premi 格式化 优启通 mac安装 校验 装系统 phpstudy phpstudy Word 视频 PR Office Google浏览器 vcruntime140_1.dll win10计划 内存检测工具 内存检测 红警 cdr W7 dwg solidwork excel 电子书 爱剪辑 微软 Microsoft Microsoft office Ultraiso 64位 rar 迅捷 VMware ps2022 win10 u盘 realtek realtek 压缩 好压 coreldraw 学习通 nexus nexus ae IE浏览器 IE浏览器 戴尔 work 编程软件 work linux 腾讯视频 惠普 恢复 微PE 微PE project mor 2010 aster win10管理员权限 Photoshop XMIND 思维导图 Xmind dnf ADB QQ影音 PHOTOSHOP OA 广联达 相机 相机 2d Windows 10 DISK eagle 办公软件 浩辰CAD editplus win10破解 wall wallpaper cdr OFFICE 2016 CAD2007 老毛桃 nba 系统备份 我的 软件管家 百度网盘 pdf阅读器 哔哩哔哩 visual studio Au 云计价平台 转PDF win7 管理 身份 企业版 清理 投屏 pre premiere 系统 闪客 硕思闪客 启动 dll修复工具 solid 电脑健康 电脑安全 酷狗 win2008 VMware 微信 微信 AutoCAD 2018 谷歌 office 2021 winRAR 视频播放 联想系统 mac 游戏平台 苹果 service 一键GHOST acrobat ccleaner 系统U盘 photoshop camtasia 备份还原 origin wallpaper 蓝牙 蓝牙驱动 pro csgo 计算 Adobe Photoshop Office adobe reader VMW VMWare FUSION outlook 草图大师 Photoshop cs6 star spss Cad看图 Cad2010 装机大师 Sol 五笔 win10家庭版激活 Defender flash snmp mind Camtasia 赤兔 腾讯 腾讯视频 dll fl 文件恢复 预览体验计划 0x00000709 股市 电脑温度 su von 刻录 密钥 系统盘 win7纯净 vc dev qu 倒计时 LR grammarly CAD2018 CAF 20h2 放大镜 magic 放大 dsc 办公 WORD Word 解压缩 微软商店 完美世界 autocad2007 鼠标指针 windows server windows server 2016 浏览器 office 2013 access 3ds max cad软件 爱思助手 电脑管家 3dmark 完美 st OFFICE2007 OFFICE2010 pe系统 投屏 系统优化 系统优化大师 系统之家重装 asus 华硕 vc++ offic 加密 VC 修复 PE 中望CAD 搜狗拼音 360 华硕 vmware 管理系统 visi ie浏览器 e浏览器 加密软件 deepin 一键重装 黑云 Nero Pr Adobe Acrobat ITOOLS WINPE 主题 steam 看图 图片查看 iobit wav CAD2019 6ba 虚拟光驱 HP off Office 201 Easy kali 网盘 万能驱动 3D MAX pdf 2008 steam下载 暴风 Solidworks OPDF 理正 帝国时代 帝国时代2 拯救者 viso 视频转换 QQ 图片编辑 crt CRT 刷机 一键激活 2014 CAD2014 OC extractor 麒麟 Premiere Pro Premiere 2008 WIN7 火绒 win8 mix ahci ADOBE iso heu kms 1909 Windows 7 排版 精简 MP3 ios pdf转word 网易邮箱 .net framework 4.0 .net framework 4.0 win7系统 win7系统64位 平板 酷狗音乐 adobe全家桶 u盘工具 VNC vnc HD see DirectX Mac photoshop 镜像 朋友圈 AUTOCAD2018 远程桌面 监控 红警 安卓 845 小米8 石大师 硬盘安装 outlook 注册表 AUTO AUTO CAD pho AUTO cad VMWARE win1 utorrent net 系统之家官网 安卓模拟器 歌曲下载 WINRAR 3d 驱动总裁 office365 adobe premiere pro acdsee pdf软件 cad2007 笔记本系统 Office 2013 cad 2018 3DMark06 CAD 2007 cad 2007 2020 FL EDGE auto cad 方正字体 打字练习 22 管家婆 clouddrive bandizip wsappx 2012 Microsoft Edge 制作 Dreamweaver rar 开机密码 文件批量搜索 开机 神州 相册 CAD字体 SERVER 2022 Office 2016 windows10激活 windows media sketch Autocad Autocad2008 guid 2022 关闭防火墙 dreamweaver 打印机 0x00006cc 2019 系统安装 2021 .gho U盘启动盘 PE工具 福昕 联想电脑 刻录软件 nero Word2003 360软件 罗技 CAD20 2016 pc HEU KMS Activator 网站 文件 重复 USB CPU WIN10共享打印机 原版 拼多多 声卡驱动 vmware workstation ftp 硬盘分区 disk 雨林木风 media 蓝牙 SP1 2019 2022 server 2022 Adobe Reader Touch 喜马拉雅 地图 系统升级 winscp IDM AD DX12 ace 知乎 21h2 VMware Workstation E5 搜索 cam 雨林 libcurl.dll xgp 苹果系统 显卡驱动 ghos Adobe Photoshop WIN10 vis 专业工作站 精简 AUTOCAD Autocad barten bar win win10精简版 T20 天正 方方格子 办公软件 WIN7 截图软件 字体 cloud DLL DLL 360极速浏览器 纯净版 uc浏览器 浏览器 淘宝 7zip EDraw Max HarmonyOS win11激活 ssd 重装系统 文件恢复 DELL 数据库 二维码 paint 安装版 DW Dream cs 蓝屏 补丁 WIN7主题 secure AS SSD win10 LTSC 爱奇艺 输入法 爱奇艺万能 服务器 win10激活码 win7 32位 硬盘 联想win10系统 免激活 sql macos win8激活 arm photo 11 小马 软碟通 km server 2008 2016 硬盘版 office卸载 oem BootCamp 2012 r2 深度 虚拟打印机 microsoft office .net framework axure Diskgenius 老板键 office 2021 oa U盘启动 视频格式转换 迅雷影音 disk win2003 华硕笔记本 AUtocad 3DMARK 音乐 NET3.5 使命召唤 telnet 腾讯会议 工具 win11 arm adobe reader xi onekey windows运行库 player camera raw adobe camera Windows2008r2 教程 Windows 2003 OA 打印机 STEAM STEAM PHOTO 安卓系统 office 20 office 2013 VISO CAD2010 acd win10纯净版 神龙 小箭头 Diskgenius Photo 图片 ones idea pycharm pycharm BarTender 2017 CAD卸载 3dcom ms office 如何安装win1 联想 指纹 翻译 家庭版 3d 刻录 11b fix 录音 audition win sketch 冰点 截图 KMS激活 OCR aida 麦克风 局域网共享 0x0000011b CORELDRAW su 解压缩 触摸板 project geek 字体 华文字体 激活win7 迅捷cad 按键精灵 1904 万兴 Winpe OFFICE2016 OFFICE2019 Autocad2010 Or .NET .NET Framework PotPlayer 一键安装 autocad2014 mp3 硬盘启动 卸载工具 垃圾清理 2000 PDF转WORD OFFIC XP BIOS BIOS密码 or SU 注册机 注册 win10注册 注册 形状 压缩 内存 illustrator 一键GHOST 光驱 PDF转换 飞鸟剪辑 PDF转换器 PDF转换器 windows激活 U盘教程 排版 SU 格式 Win 预览 typora CAD 2023 PE工具 666 ed Ghost PS软件 ken win7 32 todesk 排行榜 pdf压缩 netframework 3.5 360软件管家 驱动人生 sqlite 运行库合集 雨林木风 谷歌浏览 data recovery 比特彗星 驱动总裁 黑苹果 edius 雷神 小白 双核 魔术 低配置 低配 纸牌 GHO apache and amd msvcr100 msvcr100.dll 制作U盘启动 pro 显卡驱动 暴风 二级 虚拟光驱 系统优化 Windows server 2016 小米笔记本 小米 关机 定时关机 日版 磁力 文件管理 catia win10 1809 分区助手 Excel server 2019 谷歌 ie1 电脑公司 WIN10激活码 msvcr110.dll 终结者 联想笔记本 Adobe Reader 图书 PS字体 U盘数据恢复 notepad dll修复 福昕pdf编辑器 HEU_KMS stem gpt 影子系统 .net 霸主 BT 2013 劫持 dc office autocad 2007 coreldraw 计算机考试 太阳 cad PotPlayer LOGO Premiere Pro Kms 网络适配器 Potplayer Potplayer MSDN 识别 clone 插件 gick idm 1703 安装 Direct IE11 字体管家 优化大师 ios 图吧工具箱 idm skyiar of putty DREAM 2013 比特 DirectX11 音频管理器 pdf转换 项目管理 项目管理 WinKawaks MAC 格式 pdf编辑 转换 u盘启动 双系统 搜狗输入法 cad2019 进销存 CAXA easy 晨曦 WPS2019 raw 鼠标右键 会声 万能网卡 系统分区 bt 系统注册 工厂 格式转换 k3 Win11 22h2 CAD快速看图 GDISK 稳定 centos dc Office 2019 工作站 cc 影音先锋 中望cad Windows server 2012 一键共享 Win10原版 XMind 三维 p2p UltraEdit Windows2008 华为鸿蒙系统 xp系统 阿里云盘 mkv 原版 原版镜像 win10原版 win10升级工具 Xp 暴风影音 cs6 Photoshop CS6 adobe reader windows 11 Flash 加速 视频编辑 c caxa 视频压缩软件 chm制作 温度 虚拟 福昕高级PDF 滤镜 protel 家庭 Office200 DiskGenius CAD看图 xml 剪映 服务器 微软应用商店 变速 vcruntime140.dll 蓝屏修复 反恐精英 office 365 修复 电驴 下载工具 傲梅 PdfFactory WIN7精简 WIN7精简版 Eset 英文版 JAV 录制 cclean U盘制作 secureCRT 记事本 max cpu-z driver 数据 企业微信 ps5 abbyy autoCAD 巧课 屏幕录像 11 CS steam 三国志 旋风 AUTOCAD2019 chrome 通讯录 通讯录 激活WIN10 街头霸王 微pe 通用pe 主题 装机 ISO 历史记录 Ps cs ahci 建模 游戏运行库 WIN10 win7破解 Everything win7 64 pdf转word CAD 2022 一键ghost 优化 heu 固态 万能网卡 u盘制作工具 pdf转ppt ipx协议 谷歌插件 win7专业版 KM 一键安装 Tw 福昕pdf sublime 洛雪 美图秀秀 20H2 无法开机 Adobe premiere WORKS vm 笔记本WIN7 cubase 加密 microsoft XMIND CPU天梯图 火绒 qq 外星人 tool 光驱 影子 visio 2013 Directx修复工具 萝卜 NDM 方正 premi 启动盘 Adobe PHOTO everything DELL dell 雷 IObit Uninstalle Office2010 ps cs6 剪 传 电子书 WinRAR an winx Animate app ps2 小娜 学习软件 office 2019 Onekey ghost Onekey Ghost 备份 完美 ffice 指纹识别 TXT winntsetup cad快速看图 pp safari浏览器 下载 DISM++ 微软应用 472.12 WIN 金蝶 ie浏览器 premiere CAD迷你看 CAD迷你看图 洛雪音乐 flash player 印章 植物大战僵尸 无线网卡驱动 1809 图片 VS Visual Studio 456 Photo 安装助手 Realtek 激活工 斐讯 inter 办公 win7纯净版 系统安装教程 win10安装教程 直播助手 苹果 阅读器 表格 截图 AID Microsoft Office MAC 比特 小兵 CAD批量打印 S5 CS5 福昕阅读器 Mac 播放器 win10iso 会员 Adobe Acrobat pro ADOBE wifi wifi sql 安装 系统重装 directx Adobe acrobat 看图 磁盘 SQL Server 2008 R2 raw gta5 专业版 OCR 互联网 启动盘制作 官方 win32 华硕笔记本 金山 LanSee 共享 共享软件 codeblock 完美解码 雨林 Autocad2021 visual sketchup 剪辑 爱剪辑 Win10更新 视频播放 dx win10 ghost 磁力链 Server windows10 建模 冰点还原 tim 联想电脑管家 crt CCleaner epic MV windows server 2008 player 音频转换 photosho ultraedit VC win7 32 winzip ce 软碟 diskgenius 命名 DNS B460 QQ adb 校对 Office 2016 Exfat autocad 2023 C盘清理 windows2008 IDM 小工具 win10共享 SCP 反恐精英 硬盘安装 pyth 鼠标 俄罗斯 autocad2010 检测 vs navicat 03 Vm 微软 微软商 词典 photoshopcs6 硬盘安装win8 visual 老机 gtp crm 证件照 南极星 GHO GPU-z corel 显卡 dwg 平板电脑 CDR 2017 pho 文库 fast directX 日本 小说 pe启动盘 microsoft store Office2007 sever cs autocad2008 .NET FRAMEWORK NET NET FRAMEWORK 备份 字幕 无忧 console Windows11 无线网卡 无线网卡驱动 删除 无线网卡 指针 tomcat Windows Server 2008 U盘修复 U盘启动工具 宋体 word2016 ddu obs km ps插件 LR 壁纸 WiFi CATIA Acrobat CAD快速看图 Google ASTER IOS real 卸载 解压软件 看图王 camtasia 万彩微影 压缩工具 mac系统 win7 activation NVIDIA GeForce potplay vb windows 8 flash 安装工具 mysql 三星s20 谷歌浏览器 万能网卡驱动 IP ab 22h2 Autodesk token 一键 更换硬盘 acer Fix_ UltraISO 内存 内存条 内存测试 xinput U盘分区 苹果笔记本 压缩RAR c盘清理 win10家庭版 cad2008 win10 32位 win7) 8) dir 深度技术 ULTRAEDIT indesign 档案 打印机共享 net framework ultraiso 516.40 打印 audi GPT 声卡驱动 Steam 杜比 U盘工具 HEU KMS foxit ks windows8 Ebs Oracle UG 红色警戒 红色警戒3 打印机驱动 windows7 时钟 windows xmind gm 迅雷下载 windows 7 word转pdf 95 升级 photoshop CS6 打印软件 安装教程 文件管理 识字 网络设置 录屏软件 夸克 模拟器 cpu天梯图 PE启动盘 清理 天梯图 WIN u盘启动盘 Ps 朗读 Vista scratch 卸载 优化 ORIGIN FASTCOPY TC win10 pe 点歌 音标 PDF免费 win7声卡驱动 谷歌翻译 插件 CAxa win10优化 电子相册 Cta adb工具 ad20 合集 cad看图 cad快速看图 finder 软件 流程 文本编辑 方正小标宋 2034 Cad U盘制作工具 流畅 bitlocker 触屏 Pr 会声 夸克网盘 驱动下载 删除 ibm sql server eclipse hd spool net framework windows 1 windows 11 手机刷机 图标 pdf编辑 PDF编辑 win12 中望 中望 U盘装系统 内部版本7601 dim 媒体播放 XINPUT v8 sp1 惠普笔记本 打印 vs 键盘 蜘蛛 蛛 摄像头 rog 夜神 库存 仓库 AE 游戏环境 parallels deep 题库 答题 CORELDRAW foxmail foxmail 电脑 英雄连 解密 网吧 装机 照片查看器 补丁 按键 office 2022 SQL Server 百度云管家 激活系统 cad 2022 优启通 AN OFFICE 2019 GPU 44 鼠标指针 苹果手机 vm虚拟机 硬盘数据恢复 win10教程 拼图 测试 pass for mac U盘重装win7 win7旗舰版重装 鲁 AU rx 维护 winpe movie maker 工具盘 磁盘分区 usb 旗舰 32位 鸿蒙 Cad photoS 显卡天梯 3D建模软件 3D建模 vlc 3D 3DMax 建模软件 MAX jdk jdk Tomcat Dreamweaver dism 网易云 u盘安装系统 AD cad经典 endnote vc++2015 亚马逊 格式转换 cdlinux PPT edge浏览器 edge浏览器下载 百度云 windows11 office2010激活 罗技 logitech centos7 .NET Framework Ps2022 Ps插件 金山打字通 Nik Collection 雷蛇 visual c++ 配音 编程 怎样安装 Win8激活 caxa 图纸 yoga re b 毛 误删 CAXA PDF编辑 组件 nvlddmkm.sys 会议 print ex pt adobe Photoshop 合同管理 frontpage win10与win7共享 win10局域网共享 ACDSEE ACDSee serve 恢复 mindmap oc 2003 夸克 r2v 音频转换 MP3 win10系统重装 自动 U盘容量 98 注册表 vpn SolidWorks2022 一键装机 win10升级助手 轻映录屏 图片转换 vision 光盘 触摸板 exe 终端 屏保 .net3.5 net3.5 net3. 密码破解 pd faststone capture 美图 ARM 华为 Excel合并工具 AN navicat ps软件 wim 桌面 winRAR Win11 22H2 一键GHO WIN7家庭版 offi 歌 origin WSA工具箱 WPS网盘 更新 CorelDRAW 淘宝 win32 nsc Win7专业版 vmware tool vc Pe network 分辨率 韩 摄像头 Cdr 性价比游戏本 rufus ETC 导图 加速器 RAZ ins wmi 音频转换器 Office软件 迅捷图片 迅捷图片 一键装机 剪辑 dell start PHOTO usb MP3格式转换器 21h2 3Dmark GPU-Z KB5017380 公式编辑器 win10 32 VISIO OFFICE激活 WIN8 3dsmax Excel WinPE SP3 哔哩哔哩 哔哩哔哩下载 Edge u盘pe系统 ccleaner offi 解 PLOT 还原 PE工具箱 MacOS 安装器 AUTOCAD2008 cool NET framework Adobe reader arm64 win10 ltsc SQL SERVER 图片下载 迅捷OCR CAD字体 geek xp 金山打字 openGL opengl 钉钉 星愿浏览器 Windows server 2008 winhex premiere pro windows sever 翻译 刷机 AutoCAD2014 DC xinput1 uefi ACD 植物大战僵尸 inventor WORD 谷歌地图 地图 bootcamp Premiere ug ISO 电视 w10 sql ser Daemon Tools 英文版 万兴 截屏 Snipast Snipaste 苹果双系统 仙剑奇侠传 斑马 neo 22H2 windows10专业版 永久激活 360安全卫士 AIDA64 win8.1 unins uninstall uninstall uninstall tool solidworks2022 Navicat 365 win10专业版 闹钟 闹钟 kb50200 2345 UG 联想windows7 adobe photoshop 域名 Tampermonkey U盘制作 打字 ideapad NET phot 输入法 ip WinNTSetup WinNTSetup 远航 雷电 雷电模拟 400 Windows Movie Maker OFF 快速看图 2014 OFFICE卸载 OFFICE 2016 autoCad2018 surface PS插件 Windows XP VISTA docker raz 火狐 端口扫描 硬盘安装工具 易升 变速 魔兽争霸 2077 VPN CS6 导图 浩辰 iOS mathtype wn win7笔记本 VMware虚拟机 a64 c盘清理工具 刷机 预览版 packet Tracer packet tracer 主板 GPU word2003 c盘瘦身 OBS ftp 3DMAX PhotoShop hd tune iOS WAR3 加速器 BitComet IDEA GHOST ph adob potplayer 分身 86 鼠标宏 AUTOcad 优酷 u盘格式 局域网助手 主题包 MYdock dock win7家庭 photosh 钥匙 官方 an 天选 CPU air SW 旗舰版 网卡 .net regsvr ntsc edge auto regsvr32 win7游戏 win7游戏 clear clean 中小 Adobe After Effects pop ultraedit 打印机报错 .net framework c++ C++ C+ CRM 在线装系统 u大侠 DIRECTX directx cad2019 学 vm Microsoft visio 密钥激活 java 荣耀10 万兴PDF 语音助手 Furmark FurMark 翻译软件 UOS 音频剪辑 play tools 短信 sai chrome Office2016 CAD字体库 Windows10激活 声卡 还原工具 recovery WM Windows Server 一键还原精灵 u盘修复 adobe creative cloud 看看 开关机 cad20 21H2 火狐浏览器 硬盘分区 Directx 迅捷屏幕录像 文库 搬家 小游戏 互盾 Win10企业版 我形我速 蓝屏代码 温度 光影 光影魔术手 tesmon.sys server 2008 pdf阅读器 福昕pdf阅读器 photo 启动慢 剪映 系统镜像 QQ音乐网页版 无法进入 CAD软件 多开 微星 自带驱动 Office 2010 X86 power dvd smplayer AMD 收银 qq音乐 scr diskgen 工具 桌面便签 便签 繁体 mac os furmark 解压工具 ue UE 下载器 edi snipaste 录音 ADC linux 3Dmax 3dm git Git HD 谷歌 win10家庭版升级 T1 kom U盘驱动 搜索软件 ACER 系统下载 简 国庆 sw solid 共享打印机 Microsoft OneNote 王者荣耀 风云PDF转换器 SketchUp xpe win10开机慢 坐标转换 baidu 安装系统 irst 浏览器下载 Origin 大白菜U盘 电脑 dev c dev Dev vscode 宏 IntelliPoint 全家桶 flashfxp 音频 cool edit focusky CAD看图王 文字转语音 sev Office 365 恢复软件 笔记本win7 迷你 163 wps 2019 ABBY 视频号 2345看图王 WIN2008 cr CR 三星 chemdraw 还原精灵 DLL修复 solid convert cad 2019 工作站 SQL Server pe工具箱 pe工具箱 pe工具 录屏 cinebench 比特彗星 XP 7601 obs SERVER 联想浏览器 视频转换器 爱思 iTunes adobe flash player 激活下载 恢复软件 游戏版 SYSTEM AUTocad win10ltsc kb5018418 office软件 pix OFFICE PDF阅读 转转大师 aida64 u盘启动盘 痕迹 中望CAD VMWARE thinkpad 3DMark MSV msvcr110 faststone usb驱动 万彩动画大师 CAT 录音机 单文件版 SOLIDWORK 压缩包 iSlide 企业微信 SPSS windows defender 群 火炬之光 mos 魔兽 关闭更新 截屏 录屏软件 迅读 游戏版 无线 无线驱动 微软运行 U盘安装系统 垃圾 msvcp MD5 视频编辑器 ie8 Adobe photoshop 植物大战 植物大战 植物 quicklook 视频播放器 dll文件 2000 会计 itunes ofd 同步 锁屏 HDD 模拟 模拟 T3 街机 截图软件 是 新硬盘 ARM 乐播 谷歌访问 时间 手写 Internet MSDN 迅捷pdf bios auto CAD lut autocad 2018 IP wacom 无盘 无盘 U盘启动教程 硬盘数据恢复 五笔 DAEMON Tools PDF转word 2023 系统降级 3Dmark Logitech G HUB U盘装机 after effect 压缩包 酷狗 cpu天梯 U盘PE系统 macbook WIN10升级 WIN10家庭版升级 电脑管家 电脑管家下载 vision Microsoft Visio 看图王 vc运行库 大师 效果图 WIFI WIFI共享 32位win7 DOS 激活密钥 OFFICE 2021 SER SERVER 固定资产 驱动总 PDF转 box 鼠标自动点击 下载工具 迅雷 3050 worD foobar Ps CS6 Windows 11 一键备份 政府 英文 声卡 Ps软件 photoshop软件 安全启动 解决打印机 华硕笔记本win10 VISIO Windows server 2022 0xc000000f 关于 夸克浏览器 仓库管理 GOLDWAVE Mac双系统 in sai DC gif 联想笔记本win7 win7精简版 酷家乐 PSD AutoCAD201 gpu-z PDF转txt ghub 你 C盘瘦身 dism++ 激活win10 img printscreen cad转换 AUTOCAD2007 低版本 云盘 U盘装系统 u盘制作教程 批发 Notepad 生成器 EFI ppt origin下载 mic microsoft office vba 毛桃 win10字体模糊 Photoshop CS Win8 auto pic Gho .net fr .net framework 3.5 to go server 2003 ins 雨 diskg 橘子 忘记开机密码 win10系统激活 gee office办公 小红书 图片查看器 音频 edge网页翻译 录制 wsp photos 电脑监控 harmony AMD light 数据 efi 壁纸下载 钢琴 DirectX 鼠标箭头 双核浏览器 搜狗拼音 三国志 安全中心 ISO镜像 WIN12 iOS14 Multisim vnc CrystalDiskMark 刻录软件 Win7 IPX IPX协议 天梯 ERP 老电脑 Photoshopcs6 黑鲨 micro PS CS6 winr NBA 扑克游戏 SolidWorks Windows server 键盘 xshell edge下载 数字签名 福昕PDF 共和国之辉 KMPlayer UltraISO OEM steamui.dll 重装 win7 64 迅捷 pdf转换 鼠标键盘失灵 bios MICROSOFT OFFICE bios密码 windows8 2345 文档修复 ONEkey net framework 4.5.2 Mbr Mbr 清除 残留 英语 英语学习 量产 视频录制 无法进入系统 3DMark CorelDraw 运行库 fix 系统优化工具 2012 R2 向日葵远程 n卡 DM FTP fc 硬盘安装系统 人机验证 pdf转图片 五笔 osx 嗅探 流媒体 美图 Word2016 WPS Office photoshop cs ps cs 画图 me 助手 not win10系统 U盘格式化 宏基 nas Windows Server 2022 32位 gho cad迷你看图 0x00000001 win10 1909专业版 风暴 win10摄像头 摄像头驱动 gif Solidwork 朗读 WIN10网络共享 平板 win10声卡 3dma windows7 办公软件 咪咕音乐 跑跑卡丁车 Vmware 脱壳 录音机 toolkit 产品密钥 ori WIN10企业版 defender assist 工具包 孢子 激活WIN7 u盘重装 正式版 win10声卡驱动 WIN8.1 关闭 bandicam 键盘失灵 IObit Uninstaller 英伟达驱动 microsoft defender defender 抖音 wav 重置 迅捷PDF 千千 系统安装 装机版 锁屏 画图 U盘制作工具 Cisco Packet Tracer qq拼音 xbox 抠图 acrobat pro 3DMARK Idm Idm NET Framework net framework 3.5 关闭自动更新 ad WIN10纯净版 Ghost vista 壁纸 ill adobe ill winPE arcgis AUTOCAD2014 1903 全能王 隐藏任务栏 系统 Uninstall Tool 像素 分盘 amd Edge 铭瑄主板 after Adobe after effects framework fastcopy 7z 产品密匙 QSV Coreldraw 3dm 俄罗斯 MP4 win7 iso 楷体GB cpu 卡顿 u盘系统 迁移 win10 arm 腾讯文档 bootstrap C盘文件 小白 鸿蒙3.0 鼠标光标 .NETF xbox live 定时关机 Flash corel 绿色 Au 字体下载 图片管理 Xshell 语音包 语言包 老毛 ev录屏 EV录屏 band lr 火绒安全 小米 虚拟打印机 duplicate mysql 大多数 windows2003 Win8 镜像安装 win10 21h1 autocad2018 启动 n8 时钟 ut WIN8 loader VISTA 小白一键重装 w11 data WIN10教育版 旗舰版 EZ 计时器 万彩 cad 2020 cad软件 物理 文件管理器 win7优化 editPlus cta CTA 动画 一 pS qq影音 Paint 批量修改 批量修改图片 谷歌搜索引擎 VB msdn 激活windows10 Office 2019 total 词典 AMD显卡驱动 GooGLe 文件夹加密 石 core Corel 网游加速器 directx修复工具 DirectX修复工具 CS 非华为电脑 开机慢 dism++ spacesniffer aaa logo logo logo ph office po word2007 swf ue UltraEdit 英文 文件夹 扫描 kmplayer direct 亮度调节 2021 c6 pm nvidia NETframework surface pro DG 还原失败 日历 root software win10系统优化 搜狗输入法 搜狗 手心输入法 毛桃 cE realplayer CrossOver 优酷 小白三步装机 dobe 速度 SpaceSniffer 华为电脑 华为手机 修复系统 AutoCAD 2020 OFFICE 2013 影子系统 ME driver 去水印软件 oem 显卡 directx9 华为电脑管家 vc++ 电视 大番茄 20H2 1907 魔术师 硕鼠 天气预报 压力测试 家庭 系统瘦身 风 象棋 重装 免费 梦幻西游 磁盘合并 notepad++ hp Microsoft Visual one framework 4.0 AS SSD Benchmark PDF转PPT CPUZ LED pm Cad2018 x86 bluescreenview doPDF pdfFactory X64 photoshopCS6 Bandizip 重命名 Office 20 win 7 单机游戏 opera 小白三步 电脑激活 KTV MP4 Uninstaller win7家庭版 系统修复 pdf转Word 旗舰版WIN7 tc 回收站 SPSS DiskGenius windows update dos 联想台式 KMPLAYER win10惠普笔记本 X32 vmware虚拟机 crystaldisk crystal as ssd benchmark 英伟达 Vmware Workstation Vmware iutils.dll 一键还原工具 猎豹 OFFICE365 ab CPU参数 分割工具 Windows 8 静音 IE浏览器下载 外星人win10 字库 cad字体 CPU-z 一体机 phot Bit 福昕 DX DX9 启动装机 lr 华为笔记本 文件加密 GHOST 系统备份还原 ado 群晖 极品 adobe Acrobat 天堂 SRS 卸载软件 壁虎 SQL SERVER viber 360弹窗 32 ARCGIS 百度 系统密钥 OFFice WORD2016 u盘装系统 无损 notion 网盘 AUTOCAD 2019 Adobe Flash Player mac装win pS 酷我K歌 sap 名片 sta stat 共享网络 usb共享 y7000p win11专业版 绘图 抖音 19 BitTorrent 改名 store store下载 射手 宽带 装系统 1709 数字激活 bt dex mac双系统 IOS 15.7 无网 win10 64 hotoshop hp po SecureCRT 搜索工具 搜索工具 windows 8.1 vist cpuz 微PE工具 百度 数字 daemon IE 图片转PDF read Dism++ 常用运行库 搜狗 惠普打印机 adobe acrobat pro 仓库管理软件 计算器 计算器 WIN10更新关闭 在线重装 ins OS VBA QQ影音 hotoshop U盘启动安装 autocad2019 ACROBAT 台电 photoshopcs wim 天正 vC++ VC++ 夜神模拟器 micro steam_api64.dll 联系 图片合并 压缩文件 Win7精简版32 YY 屏蔽更新 按键 win95 Acrobat Pro 文字识别 WIN10专业版激活 sticky DAEMON Tools Lite win10密钥 aida64 AIDA64 vMware Winrar ramdisk 本地安装 激活windows 10 自动更新 win7 32位 直播 EDIUS amcap 录像 暴力摩托 mi 极品飞车 Audition 网信 iPad photos 2008R2 MX 19044 Play potplaye Office 2021 win11任务栏 谷歌访问助手 Directx修复工具 酷狗 酷我 direct 8.1 FRAMEWORK FRAMEWORK WinHex 幻塔 win10装win7 TV KM 完美 应用商店 Windows Server 2003 微星小飞机 影视 239 AIn Adobe Reader XI 游戏专用 光标 re 魔术师 Win7显卡 系统之家u盘 wsa 制作启动盘 key 在线重装系统 NDM 神舟笔记本 海报 一键重装系统 Foobar2000 IO UNINSTALL IOBIT 金山词霸 金山词霸 Controller youcam 声音 收音机 winnt 激活win11 PDF编辑器 win10笔记本 备忘录 UC 万能驱动 带驱动 msdn InDesign 光影 集 编辑器 EasyRecovery 原版WIN7 cg 快捷键 正版 欧陆风云 镜像系统 WIN10系统激活 U盘重装系统 U盘重装系统win7 ios16 Archive Searcher iis tk youtu api64.dll sp1 PDF转换 Macbook air Net Netframework 迅雷11 gtx1050 AutoCAD 2007 C4 4399 Pe Ubuntu lt win11壁纸 2018 精 浏览器安全 HEU_KMS_Activator 抖音 UC 去水印 win7镜像 p2p 抖音直播伴侣 ghos PDF24 ThinkPad AUTOcad win10注册表 游戏优化 显卡天梯图 An zip AutoCAD DWG PLAYER POTplayer 瑞星 瑞星 永劫 cc DISKGEN 装机装系统 2018 手写输入法 视频下载 cpu温度 磁力链接 补丁包 Win11安装 小码 sp2 wifi密码 图标箭头 WPS Office 2019 WPS Office Win10专业版激活 格式转换器 笔记本win10 屏幕 520 迅雷11 PDF虚拟打印机 installer fujitsu 4399 peU盘 AUtocad2018 微信电脑版 繁体 wininet.dll PPT Amd NX root 一键重装系统 win10主题 记账 acer 祖玛 server 2016 12代 windows hello 无限制版 ev hdtune onenote Project nvidia update winhex mfc140u 常用运行库 ISO文件 HASH dx microsoft visio 垃圾清理 清理大师 IE9 0xc000007b win8系统 Office 2013 C盘满了 便签 ADoBE 重装系统 Microsoft Store MaC tiny 博士 完美解 KEY 旗舰 VMWare 虚拟机下载 合同 系统安装器 盘启动盘制 秀秀 mac版 cae CAE 游戏安装包 PHOTOSHOP cAD 漫画 XD 坏道修复 BR U盘修复工具 word插件 photosh C语言 硬件 鲁大 Motion chatgpt mfc140 CAM openoffice 新概念 music Intel 一键局域 u盘恢复 win7旗舰版 OFFICE 2019 小米PRO di OFFIC 安卓 Office 2021 chrom adob u盘安装 表格 office 365 Directx xp浏览器 19043 2009 tiny11 adobe after effects Adobe Premiere 飞书 Fix 安装工具 Displayx d3d d3 709 Win10 32位 CAD Apk DLL修复工具 heu_kms 系统引导 WIN10精简版 Mac qsv adobe pr ser win0 云电脑 msvcp140.dll Office ltsc msvcp100.dll文件 msvcp100.dll 华硕系统 影视大全 Win7 Activation cg 主板 硬件 c++2015 win10纯净 Aster PASS win10主题下载 MP3转换器 wind 网易云音乐 WIN10关闭更新 CAD 2019 kmP nav 软碟通 ease 马赛克 dll. Win10 装机版 .net framewor 7z压缩 CC cle clear cler cclean Tiny MSVCR120.dll msvcr120.dll win10 1803 CPU-Z JO MOS ed fme 专业 CRT reader 仓库管理 erp 缓存 redis war CPU天梯 pdF 标签 桌面日程 win8.1下载 装机工具 crystaldiskinf Pdf ABBYY windows server 2022 项目 win10 1909 WIN11系统下载 教育 化学 章 文件共享 360浏览器 360浏览器下载 校园 搜索 文件搜索 cd bartender U盘安装 flash中心 wM 网页视频 2060 windows 10 unityplayer.dll office、 杀毒软件 装机软件 game 联想win10 u盘启动安装 xs expert Windows server 2019 dns 卡住不动 part Photoshop Direc 中学电路 Win11 Beta ukey 小飞机 Ae Windows7 央视 易我 AutoCAD 2023 ar smb Disk 定时开机 下载器 360极速 goldwave everything win7主题 装修软件 穿越火线 系统重装 win10一键共享 GEEK win7还原 ps KTV SSD 安卓 drive Activator 蓝叠 gis iso 0x000000f wor wor Adobe i Ai Adobe ill 鼠标点击 ChatGPT djvu 虚拟内存 文档软件 studio studio uefi Cs6 ios CADS Windows 8 Win10 1909 GPU-Z 2008系统 任务栏 AUTODESK 红米 ssr U盘启动盘制作 startallback dll文件丢失 windows 8 看电脑 spl 3dsMax vhd 工具箱 魔兽争霸 microsoft edge 高中 SQL server BIM 迅雷下 DirectX修复 导航 音乐播放器 Directx修复 和平精英 Linux win11专业 crystaldiskinfo 番茄 图片加密 dev-c++ 解密 简 win10精简 影音 驱动程序 xlsx PDF合并 图片提取 蓝灯 操作系统 操作系统安装 求生之路 绿色版 小黑 packet Packet Win10ltsc xmind 微软雅黑 U盘系统 max 证照之星 xd host NET FRAMEWORK 3.5 ubuntu ubuntu系统 镜像文件 21H1 WIN10 21H1 windowsxp IE浏览 测速 AAct POT u盘装系统 DIRECT dream 切换 MEDIA PLAYER wireshark 屏幕 PDF Shaper COREL ipad 压缩rar 虚拟机系统 C++ efi CDA directx修复 ha 忘记密码 wintogo Windows安全中心 酷我音乐 Chasys Draw IES 车载 c4 抓包工具 修复工具 contr kingROOT VMware Workstation 校验 OE 网速管家 asssd 华硕bios 冰凌 华为浏览 winra 魔方 主板驱动 U盘加密 u盘制作工具 电视家 安装win10 超级兔子 WIN10产品密钥 微pe工具箱 手机系统 mydock cad 2022 磁盘工具 diskgeni windows12 序列 序列号 ADB 仓库 Mac改 三国 电脑店 统信 设计系统 DIRECTX translucenttb TranslucentTB hyper-v 3d max 凤凰 知乎 hit internet LTSC 2021 hyperv U大侠 adobe photo pot Win11激活 超级终端 文件 d3d12 netframe POR flash player gba Visual Studio win11安装教程 win10家庭 CrystalDiskInfo NX 12 kb5022913 迅捷PDF goldwave DirectX9 KB5022836 1909下载 Adobe reader W10 10 windows installer 19042. Auto windows 2008 Auto 迅捷音频转换 phone 滴答清单 ftp client QUICKTIME USB3.0 仿宋GB2312 win10正版 直播 XMIN 设计 三星手机 魔兽争霸3 Sketchup 酷狗音乐 电池 修复工具 机械师 鬼泣 pdf转换器 Aurora c语言 优速 优速图片 Win Gold Wave DirectX修复工具 speed slide 记事本 多开 win10更新 win10专业激活 PDF虚拟打印机 CentOS 22H2 Server 2008 autorun 切割 r- win7精简 LinkPdf firework Raptor 桌面 CAD2021 3.5 不自动更新 小红 图片下载工具 绝地求生 绝地求生 php startallbac r2 飞鸽 翻译 .dll win7原版 OBS autocad 2022 硬件检测 tiny 迅雷影音 cad字体 HideToolz 内存卡 KMS工具 语音 office怎么激活 2003系统 逍遥模拟器 animate win7办公 sql server 刻录大师 Po 140 win7 sp1 东芝 屏幕监控 AutoCad PE工具箱 AQ PDF阅读器 windows 10 arm 迅捷视频 金蝶 win10镜像文件 小说 PDF-XChange nvidia显卡驱动 图片转换 wps20 mbr win7升级win10 收银 FileZilla 暗黑 FLASH PQ Microsoft 365 批量 音乐编辑 Windows Server 2016 AC FPS 引导修复 tiny10 真三国无双 UTorrent ABC video 麻将 英雄 MemTest 图形 俄罗斯大神Win7 虚拟机专用 OFFIc OFFice2019 原神 NVIDIA cAD internet explorer 纯 BR WIN10 ISO windows xp ahci驱动 Photoshop Cs6 加密文件 acme cad converter 系统迁移 ltsc 2019 NanaZip 7Zip 校园 学生 触摸屏 几何画板 XPS Office2010安装包 佳能 473.62 Chrome 496.13 Tiny11 10代 PRO pdf转换成word 1024 Linkpdf转换器 亿 完美解码 ACME 方正小 win11教程 21h1 StartAllBack win10打印机 SV 思维 nvidia显卡 flash插件 Desktop Microsoft office 媒体播放器 Client dns MSVCP140.dll 太极重命名 抠图软件 PROJECT 原始 风云PDF 网络打印机 bandizip 楷体GB2312 adobe photoshop 送货单 安装器 UC浏览器 msvcr win10优化 POTPLAYER u盘装机 WINZIP ksp kms激活 Access 代理 福 福昕阅读 pico 离线 Everything design arm win10产品密钥 恒星播放器 win7主题 PSD dsp dps face cent pdf编辑器 win11补丁 qsv转换 极光 vmware tools Google lsc局域网 WPS OFFICE le 资源下载 editplus 语音 Windows 10 x32 华硕win10 远程控制 soli teams 以太网 文献 百度云 32G内存 图标小箭头 转换 Gog Rog android studio STAT DISM 百度文库 FIFA 任务栏 Acrobat Reader 视频分割专家 雷电 软媒 蚂蚁 安装版 autocad 2020 window 老系统 MS 微软商店下载 lite 专业 ultraEdit SQL Server 2008 every OBS Studio win10 gho 哈哈 rt 标签 nicelabel HEIC 印章 win10旗舰版 mfc140u.dll 电气 小鸟壁纸 京东 AUTOCAD2010 fp windows me 打印机错误 PE启动 kernel32 2008r2 uto 睿备份 ocr 绿化 效能备忘录 自动开机 Windows2003 MS OFFICE google 图片压缩 计时器 计时 植物 植物 aip C盘清理工具 优化大师 密码解除 gpu-z cad201 无痕去水印 wish 福 图片转PDF mindmaster 密码修改 19041 1901 图标 桌面日历 win10 2019 p1 星际 shop 关闭系统更新 Phoenix 位置 比特精灵 彗星 AutoCAD_2020 ssh noMeiryoUI 备份还原 CAD迷你看图 con 个 w7 AACT 微软office goodsync BANDIZIP dm dj 智能h3输入法 系统还原 Flash Player notepad MSVCR110.dll 517.40 zoom 倒计时 u盘制作 Excel表格 网络测速 AUTOCAD2021 油管 录 not sp3 u盘启动 aida 2788 caD WINDOWS 7 microsoft visio 低格工具 CORELDRAw 取色器 caj onenote Access Access数据库 pkpm wdf 流程图 护眼 雷电模拟器 护眼宝 AutoCAD2021 7纯净版 animate 3DM search lux CCLEAN cAD 2022 补 农历 老机专用 win10 版本 自动关机 自动关机 windows s api-ms-win-core 微信双开 PhotoShop AHCI VSCODE 64位 GHO镜像 数学公式 数学符号 Visual C++ zoom crystaldiskmark NAS pDF gpu 楷体gb 楷体gb2312 US 博 系统 KB5023778 笔画输入法 pdf分割 Fences vis ps字体 Office2019 mumu Navicat Reflector VC++ 系统补丁 win10系统补丁 VC+ 阅读 闪电音频 下载软件 vmd FLASH dll修复工具 360驱动 屏幕录制 office 201 亮度调节 IIS 万能声卡驱动 手机 烤机 pot cleanmypc 华为系统 mimA 录屏大师 pc模拟器 winxp ps20 磁盘修复 用友 win10密 装机工具 如何安装系统 录 字 看图软件 ntfs dg GPW 星际争霸 打 0xc EasyBoot 更新 补丁卸载 ocr Lenovo 驱动程序 dir 3DS dvd ACro GHo DIS 引导 copy shop 调教 PHOTOSHop UEFI ISO镜像 扫描仪 Auto cad GTX1050 WIN32 recovery nik 韩语 Clipchamp bit bitcomet control 补丁下载 framework3.5 google浏览器 Direct ug10.0 20h2 屏幕录制 CrystalDiskMark centos系统 1070 Adobe PhotoShop 制作启动 移动硬盘 采集 短视频 WIN10 1803 高清 EV录屏 点歌 SERVER 2012 R2 WINDOWS server pa potplay 获取管理 win10下载 万能 平板电脑 screentogif 英语 CrystalDiskInfo roundedtb sun X86 visi 鼠标样式 Loader rt 测速 framework 热点 钢琴 22H 天气 HEVC OEM exc Cheat Engine U盘写保护 象棋 无法连接网络 22h2 电源 电源控制 管家 数控 声音 文件拷贝 文件备份 can 身份证 自动备份 camtasia studio 千 rar密码 win10教育 win10专业工作站 MATHTYPE 装箱 webp 企业 文字 band 风扇 一键装机大师 苹果驱动 韩剧TV 19042 timi directX OFFICE 365 math MathType Ma Math win10输入法 pre premier source coreld 极简 win10重装系统 阅读 PDF阅读 剪映专业版 exis pr视频 ESXI 365 伴奏 NVIDIA NVIDIA Control Panel 软件下载 风暴影音 乐播 IOS 激活 win10 tim WIN10怎么安装 HD TUNE cer adobe flash youtube 微信聊天 WIN10装WIN7 备忘录 解压密码 kmi 极速版 笔趣阁 win10 20h2 win10 21h2 Adobe_Illustrator Win11优化 chat 文章 pdf转换器 win xp WIn11激活 照片查看 Oracle lts 五笔输入 拼多多 IE 浏览器 一键备份还原 boss 电脑主题 IOS16.2 d3dcompiler 导航 杜比音效 rose adeo 搜狗浏览器 Dr5 控制系统 emeditor python39.dll fox DEL connectify 网吧 FI 一键关机 XINPUT1 xinput1 3.dll word200 Windows10纯净版 Win10纯净版下载 一键Ghost CAXA2020 monkey NET Framework win10 iso visual basic win7蓝屏 虚拟机win7 ltcs win10nvidia NVIDIA图形驱动 系统之家装机 用户名和密码 Word2007 WIN11 ima Image Windows 系统工具 硬盘哨兵 Navicat Premium AMD显卡 cad 2023 流程 win10.gho msvcp120.dll USB 360安全浏览器 一键还原系统 chkdsk EDGE 我的世界 装修 95 视频下载 启动盘WIN10 文本 everest gpedit.msc AR 引导修复 QSV 系统补丁 2020 serv serv-u CAD迷你 PDF打印 文件夹加密 office2021 草图 NOTEPAD 搜狗五笔 ubuntu win10桌面图标 win11更新 OFF edraw Server 2019 TV 财务 至尊宝 22 手机 win11游戏 Vice cu uc 精灵 Windows S eye ara 阿里云 MFC140 ai109 An 荣耀 DirectX11 系统不兼容 修改器 联想扬天 frame Windows Server 2019 查重 论文 快手 XMind 2004 PYTHON 安装失败 Win10 LTSC MSVCP140D.dll markdownPad 清理工具 垃圾清理工具 audio moni 酷我音乐 风云恢复大师 hp笔记本 visual C++ Server ssd 运行库修复 1252019 bili md5 Comdlg32.ocx windows许可证 IT Ie ghost win7 Windows s esd 磨皮 re revo maya 万彩 火 oppo 驱动大师 大神 office word EP infix out 护眼模式 日程管理 日程 win11家庭版 CAD软件 Adobe Premiere Pro Realtek高清晰 tool visor 浏览器修复 浏览器插件 语言 iTunes corelDraw Bit BitComet 国产 AutoCAD 2024 cad 2024 32位纯净版 录音软件 录音软件 恢复数据 python dire 系统重 结构 win10游戏版 镜 串口调试助手 群 xP 鼠标卡顿 C盘扩容 阅读器 2008 让 SOLIDWORKS 客服 u盘加密 安卓子系统 win11安装 Trans transmission itools airplayer start1 话术 wlan Dism++ 繁体中文 迷你cad 1904 DiskMark 卡音 yuzu Chromium BT 编辑软件 power 万能播放器 win3 华硕天选 检测 联想拯救者 联想拯救者y 渲染 进销存 长图 屏蔽 制作启动u盘 中文语言包 Win7 3ds max rtx 3050 压缩解压 OS IG SOLIDWORKS 百分浏览器 Msvcr110.dll 种子 钣金 RAR密码 安装双系统 rmvb OUTLOOK 族 1909版本 offl 教育 串口 7.0 XD vi 触摸屏 FTP 仙剑 屏蔽 GTA5 Lightroom 3.4 三国志11 LTSB microsoft to do wps2019 dism+ XP SP2 SSD 坏道 笔记本专用 to do 南瓜 完整版 rog eps 性能最好的 vice photoshopc OFFICE软件 磁盘整理 autodesk 网页 的 网页制作 WiFi wm steamui.DLL Typora 英雄联盟 word模板 工作 Dell 财务软件 tampermonkey 票据打印 mt dlabel vcruntime140 directx12 net framework 4.0 Directx工具 动态磁盘 Adobe Premiere 播放 引导 ty sol win11 kb 精简win10 U盘启动快捷键 极限精简版 解压缩 2900 获取权限 AIDA p3 百度文库 电脑版 Exce 英特尔 PotPlayer播放器 下载软件 editions ppt合并 ISO安装 foxit reader 0011 win10 64位 JAVA JAVA CPU温度 温度测试 OFFice 音频编辑 Print Spooler mp4 WINDOWS SERVER 双开 pdf阅读 PDF阅读器 MP3切 极点五笔 adobe c itunes 计划 ping PhotoShop CS6 泡泡堂 动态 动态壁纸 密码查看 金士顿 视频编辑软件 拳皇 图片转换器 Wireshark 宏碁 3dM jvm.dll DDU ppt模板 MS 360安全卫士 windows 7 ma cmd Usb驱动 鼠标键盘 屏保 py di 跑分 EPSON 右键 19042 密匙 winXP xampp pages 图吧 vo ventoy wps恢复 sview 种子 红警3 长期服务版 Adob Win10 gho kernelbase.dll 视频压缩 P安装 Advance MIUI14 kernelbase 图片打印 NVIDIA驱动 Windows7纯净版 duet 通达信 adm PREVIEW photomator SOSO CCL PS2019 OFFICE 2010 core 双开 Km Kmp 硬盘装 virtual 安卓模拟 wind 7 ke DISM++ 批量 cad卸载 furmark 宏碁 7-Zip 右键 引导修复工具 com ABB DX 24 暗影部落 VC++2015 avast WIM quicktime OF 便签软件 pdf编辑器 魔兽世界 dvd Win10主题 罗技驱动 WINDOWS8 日期 ewsa ps202 旋转 魔术手 2k PE系统 杀毒 thinkbook whatsapp MSVCP140.DLL esxi 戴尔win7 QQ输入法 账号密码 workstation 超频 图文 0xc0000005 wampserver windowsdefender prote 炒股 U盘工具 LENOVO win7虚拟光驱 Microsoft offic 有道 2010激活 CAd 虚拟 PC VNC 有道词典 .GHO 代理 Proxifier diskg heic 在线 win1 win11硬件 W10 d3dcompiler_43.dll D3dcompiler_43.dll D3dcompiler 启动U盘 Ph PS cs2 win10雨林木风 host 压缩 迅捷PDF转换器 语音识别 win7注册 欧陆 FileZill DOS HWiNFO64 福昕PDF 转PDF 20H 旧电脑 pdf转excel Revo Uninstaller IC卡 windows7旗舰版 startall Nexus 云 SOLIDWORKS2022 日文 硬盘重装系统 录制屏幕 HD tune 登录密码 Win10 64 22621.963 tinu 3.5 GM radmin 地球 水印 水印去除 西瓜视频 sho r7000 VM虚拟机 bitcome 激活OFFICE 无限重启 yun Dev C 魔方 windows更新 daemon tools Lite 荣耀 实况足球 清理系统 脑图 Windows Media Ghost硬盘安装 kiwi 关机 WIN7 64 Server 2008 命令代码 文件名 目录 directx修复 xin 化学 生物 occt xm Dell 方正小标 3dmark压力测试 cs2 图 ktv BOOTCAMP CorelDraw RA 笔记 图流 PGP after effects 微信多开 分区魔术师 ea easy read GHOST XP SP3 深度技术 GHOST wamp 微星主板 微星主板重装 Cad2014 系统更新 STAR Startallback 暗影精灵 Arcgis mediacreationtool ros u大师 del pd sip eye U盘装系统教程 BitLocker adobe flash player 全民K歌主播版 Adobe Premie 激活office 挂机锁 android 驱动安装 字体库 Dw CS6 msv powerpoint HandBrake InDesign WIN2003 Python 微信pc版 10工作站 ArcGIS 系统U盘制作 Win7密码 Win7精简版 MySQL 影音 Calibre dire XINPU xinput1_3.dll 23 MIUI 音乐播放 e2021 笔记 excel表格 批量图片转换 cry U盘重装 .net f framework 3.5 LS win10旗舰 环境 Xp系统 DLL修复工具 .NET Frame work 音频处理 旗舰版激活 证件照 GB2312字体 winscp wireshark win10 2004 工具箱 win10工作站 td 收银系统 ESD adobe premiere 网卡切换 小林QQ相册 tmp 木风 msvcr120.dll文件 ghost安装 键盘驱动 导航 凯立德 扫描王 WIN10录屏软件 素材 PD motrix iutils 大智慧 HP笔记本 一键抠图 罪恶都市 ARA 暗影精灵6 极光 仿宋G 仿宋 oracle PDF格式转换 mp 微软商城 电路 ABC 对话 聊天记录 internet total 微信 搜索引擎 P2p war3 shell win10 19044 GUID Coreldraw windows 2003 登陆密码 苹果电脑 戴尔win 迅 腾讯文档 嗨格式 Realtek HD Audio MUMU x4 漏洞 final 绿色 黑苹果系统 Illustrator Ai DNF 口算 Photosh .ps win 2008 Etcher KERNEL32.DLL 手机数据 手机照片 neat ux OFFICE 2013 123 freenas 快手直播 win10硬盘 21 20好 图片查看 PING 抖音app windows server 2003 小票 pla Pro Ltsc roject 视频格式 X4 系统管理 winp U盘装win7 还原系统 firefox securecrt 战神Z8 pdf阅读 联想小新WIN mv qq输入 kernel32.dll KS Dism 外星人笔记本 虚拟机win10 U盘杀毒 鼠标按键 AutoCAD 20 AutoCAD 2019 VISION VISI 三点 Dll win11 21h2 cadsee 暗黑破坏神 win10企业 directX 9.0 uos 办公系统 SPOOLER Autocad2014 u盘检测 筑业 diskge Fireworks Logitech PS2022 Corel net framework 4.0 Windows12 VC运行库 rer 制作工具 安装苹果 WMP FLAC U盘启动制作 上海 ampe 温度监测 剪切 视频剪切 dob 压 U盘恢复 draw R23 喜马拉雅 腾讯电脑管家 拍摄 联想win8 3DM OVA 软件之家 tor 洋葱 cad 2020 装修设计 qq游戏 虚拟机安装 MSVCR120.DLL 字体库 恶意软件 windows media player OFFICE2021 世界之窗 硬盘坏道 ROG Win12 scrip 积极 密码忘记 三国无双 ACRO 台式机 鸿蒙 浏览器 Framework Net Framework 4.0 i3 Tiny10 CAD转换 ERP 环境 建筑 手机数据恢复 12 ie浏览器下载 使命召唤 僵尸 unity Realte virtual 删除文件 reader cda 启动盘格式 优盘 方正小标宋简 autoCAD 2023 connect 升Win11 win10游戏 DIR 微软输入法 唱歌 3D Home Architect 清零软件 教程 错误代码修复 不能为read 语言包 自动点击 移动硬盘 win10共享打印机 camera 97 lsc 水印 Driver 添加水印 AI绘画 雨林木风系统 msvcr120 桌面图标 机械革命 激 Wallpaper Engine 动态壁纸 x pro ZIP 音频格式转换 内存read WIN7游戏 14393 荣耀 网银 DLL修复 太阳 进不去系统 PDF编辑器 Opera Microsoft edge uc浏览器 文件批量 dr5 P2P 中关村 1.0 虚拟光 库 蜘蛛纸牌 harm win11自动更新 射手影音 cine 金山PDF AVG R2V 纯净版系统 inaccessible boot OneNote 321 暴风影 w7 win10企业版LTSC 版LTSC OFFice 2016 adobe pr 联网 雷电模拟器 PDF转WORD 神舟 pss cubase Deepin windows xp 求索 设备 模具 转换器 处理器 NERO MYSQL MYSQL windows服务器 19045 解压 PDFFactory vue pdf reader 办公版 vivo Adobe c 笔记本专用 IDA Acrobat Reader DC ad line 转文字 迅捷文 手机刷机 PHOTOshop IOS镜像 runtime uplay 关闭WIN10更新 一键重装工具 Win10笔记本 配音 tv 梅 ofi 360压缩 win7密 日历 alipaladin 助手 c+ play 图表 卸载工具 GB2312 C adb psd CAD快速 一键局域网 小新 视频剪切 FM 垃圾 very Auditio 抢滩 小智 win9 金山 shp 备份系统 dism 专业纯净 tv 华硕笔记本WIN10 盒子 鼠标驱动 达尔优 os系统 macos系统 消防 UPUPOO 论文 抠图 通用串行 ones abd grap 工作站版 Java 核显 nx 宏基笔记本 Autocad2018 会声会影下载 Winrar 纸牌 AutoCAD20 ofd 音乐播放器 权限 Internet Explorer 8 of Qt5core.dll 将星x15 剪 Q3 IE 11 dx9 密码忘了 SOLIDWO Winhex PS 拼兔 3Dm U精灵 音乐剪辑 蜜蜂剪辑 入库 出入库 数字五笔 WIN10家庭版激活 OpenGL WIN10工作站 日语 多语言 Windows8 lol VirtualBox Project cst Tahoma字体 电脑共享 家庭中文版 账单 view 仙剑奇侠传 U盘做系统 刷机大师 Windows Server 2012 4d 文档生成 性能 2114 CCleane KX 背景 adobe p 软件安装助理 Edge浏览器 SERVER 2016 生化 亿图图示 笔记本W10 转码 爱奇艺 NETFramework vi vim vim 1G KU HEIF Windows 激活教程 sony visual studio code visual studio code PerformanceTest 照片压缩 雪 系统加速 GRA 无忧 正版验证 共享打印 TranslucentTB translucenttb下载 Windows10纯净 lenovo 修改密码 win7双系统 WINDOWS XP 激活密匙 万能 adi vcredist 子浩 2008下载 易极数据恢复 想 Visual Studio code ultraiso foxit phantom ghp 图片制作 右键管理 五笔输入 coreldra coreld bridge 绘画 iso安装 wave WINDOWS7 教学一体机
时间:2022-07-02 来源:系统下载之家官网
中断处理全过程指的是从中断源发出中断请求开始,CPU响应这个请求,现行程序被中断,转至中断服务程序,直到中断服务程序执行完毕,CPU再返回原来的程序继续执行的整个过程。那么具体的中断处理全过程是哪些呢,下面小编就带着大家一起具体看看吧!

中断处理过程的五个阶段
中断处理的基本过程包括中断请求、中断判优、中断响应、中断服务 和中断返回等五个阶段。
1.中断请求阶段
1)发生在CPU内部的中断(内部中断),不需要中断请求,CPU内部的中断控制逻辑直接接收处理。
2)外部中断请求由中断源提出。外部中断源利用CPU的中断输入引脚 输入中断请求信号。一般CPU设有两个中断请求输入引脚:可屏蔽中断请求输入引脚和不可屏蔽中断请求输入引脚。
1.1中断请求触发器
每个中断源发中断请求信号的时间是不确定的,而CPU在何时响应中断也 是不确定的。所以,每个中断源都有一个中断请求触发器,锁存自己的中断请求信号,并保持到CPU响应这个中断请求之后才将其清除。
1.2中断允许触发器
在CPU内部有一个中断允许触发器,当其为“1”时,允许CPU响应中断, 称为开中断。若其为“0”,不允许CPU响应中断,中断被屏蔽,称为关中断。
%%通常,当CPU复位时,中断允许触发器也复位为“0”,即关中断。当 CPU中断响应时,CPU自动关闭中断,禁止接受另一个新的中断。
%%中断允许触发器的状态可以用开中断或关中断指令来设置。
2.中断判优阶段
CPU一次只能接受一个中断源的请求,当多个中断源同时向CPU提出中断请求时,CPU必须找出中断优先级最高的中断源,这一过程称为中断判优。
中断判优可以采用硬件方法,也可采用软件方法。
2.1软件判优
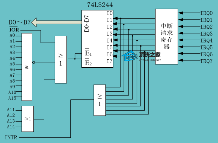
CPU检测到中断请求后,首先读取中断请求寄存器的内容,逐位检测它们的状态,检测到某一位为1,就确定对应的中断源有中断请求,转去执行它的中断服务程序。
先检测哪一个,哪一个的优先级就高,后检测哪一个,哪一个优先级就低,检测的顺序就是各中断源的优先级顺序。

假设上图中输入端口地址为87FFH。有如下查询程序:
MOV DX, 87FFH
IN AL, DX ;读中断请求寄存器内容
SHR AL, 1
JC IR0 ;IRQ0有请求,转IR0
SHR AL,1
JC IR1 ;IRQ1有请求,转IR1
SHR AL,1
JC IR2 ;IRQ2有请求,转IR2
… …
软件判优耗时较长。如果中断源很多,中断的实时性就很差,但是软件判优优先权安排灵活。
2.2硬件判优
利用专门的硬件电路确定中断源的优先级,有两种常见的方式:菊花链判优电路和中断控制器判优。
2.2.1菊花链判优电路
设计思想:每个中断源都有一个中断逻辑电路,所有的中断逻辑电路形成一个链,犹如菊花链。排在链前端的中断源优先级最高,越靠后的设备优先级越低。

实现过程: CPU收到中断请求,如果允许中断,CPU发出中断响应信号。中断响应信号首先到达菊花链的前端,如果中断源1提出了中断请求,它就会截获中断响应信号,封锁它,使它不能向下一个中断源传送。不论下面的中断源有没有提出中断请求,都不可能接收到中断响应信号,因此它们的中断请求也不能被响应。
2.2.2中断控制器判优
中断控制器,如Intel8259A,可以以多种方式设置中断源的中断优先级。 中断控制器中有一个中断优先级判别器,它自动判别出目前提出中断请求的优先级最高的中断源,并将它的中断向量码送到数据总线,CPU接收中断向量码并据此找到它的中断服务程序。

3、中断响应阶段
经过中断判优,中断处理就进入中断响应阶段。中断响应时,CPU向中断源发出中断响应信号,同时:
① 保护硬件现场;
② 关中断;
③ 保护断点;
④ 获得中断服务程序的入口地址。
4、中断服务阶段
中断服务程序的一般结构为:
1)保护现场。 在中断服务程序的起始部分安排若干条入栈指令,将各寄存器的内容压入堆栈保存。
2)开中断。 在中断服务程序执行期间允许级别更高的中断请求中断现 行的中断服务程序,实现中断嵌套。
3)中断服务。 完成中断源的具体要求。
4)恢复现场。 中断服务程序结束前,必须恢复主程序的中断现场。通常是将保存在堆栈中的现场信息弹出到原来的寄存器中。
5)中断返回。 返回到原程序的断点处,继续执行原程序。
5.中断返回阶段
返回到原程序的断点处,恢复硬件现场,继续执行原程序。
中断返回操作是中断响应操作的逆过程。
2023/09/10
独立显卡怎么看型号?查看独立显卡型号的方法2023/09/09
雨林木风系统好用吗?雨林木风系统介绍2023/09/02
重装系统哪家最干净?2023最干净的一键重装系统工具推荐笔记本电脑打不出字怎么办?如果你遇到笔记本电脑无法输入文字,这会发现这可能对你的工作、学习和日常使用造成很大的困扰。然而,你不必过分担心,因为通常情况下可以采取一些简单...
2023/08/27
当面临选择游戏本和全能本之间的抉择时,很多人都陷入了犹豫中。实际上,无法断定哪一个更好,因为这取决于个人的需求、偏好和使用情景。游戏本和全能本各有其独特的优势,适用于不...
2023/08/24